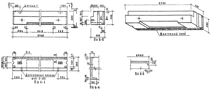
НБ-30.6.6.П

Чертеж изделия:
Чертеж НБ-30.6.6.П
Характеристики изделия:
ПараметрЗначение
Длина2980 мм
Ширина600 мм
Высота580 мм
Масса1760 кг
Нормативный документСерия 1.133-1

Стеновые легкобетонные блоки толщиной 60 см по Серии 1.133-1.

НБ-30.6.6П  Перемычечный блок.